|
|
|
|
|
|
|
← USA Receiver WWII
Portable miniature receiver · WWII
RBZ was a portable miniature valve-based receiver, introduced in 1943
by the Emerson Radio and Phonograph Corporation in News York (USA)
for the US Navy.
The receiver was used during Naval raids – for example during the D-Day landings
– but also by resistance groups for the reception of BBC broadcasts.
The device is powered by a battery pack and uses the helmet as its antenna.
|
It was originally developed for the US Navy and was probably intended
for the reception of instructions during beach landings. As such,
both the receiver and the battery case are water tight and all
accessories are cast in rubber. The two cases themselves are made from
Bakelite.
The initial model had a frequency range of 2 - 5.8 MHz, but the unit
was later modified for an extended frequency range of 5 - 13 MHz AM.
The extended units were dropped over occupied European territory
during WWII and were subsequently used by resistance groups.
|
|
|
As such, it resembles the British war-time MCR-1,
the Sweetheart
and the post war Mk-301 receivers.
The RZB receiver was manufactured by the Emerson Radio and
Phonograph Corporation in New York (USA) around 1943.
The headset is connected to the battery case with a fixed rubber lead
and consists of two flat speakers in a canvas skull cap, so that it
could be worn under a standard helmet.
Unfortunately, the skull cap is missing from the item shown here.
|
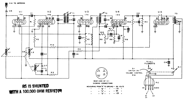
The receiver is beautifully built and operates around 5 valves:
RF pre-amplifier (1T4),
local oscillator/mixer (1R5), IF amplifier (1T4), detector (1S5)
and the AF amplifier (1L4). For frequency adjustment it uses
coil tuning (permeability tuning). The sensitivity of the receiver
is 1 to 4 µV at 1mW audio output (into 600 ohm headphones).
The unit is powered by two voltages: 1.5V/250mA (LT) and
67.5V/4mA (HT). The rightmost picture below, shows the original
batteries inside the battery compartment.
|
|
|
In Naval use, the soldier's metal helmet would be used as the antenna.
A short piece of fixed wire (approx. 70 cm) and a screw-on terminal
is used to connect the receiver to the helmet. Although it is uncertain
whether these radios were issued to US Marines during WWII, it has now
been confirmed [2] that British SAS troups used the RBZ Radio during
Operation Houndsworth in Morvan (France) in June 1944 [3].
|
|
Below is the circuit diagram of the RBZ receiver
taken from page 55 of the instruction booklet [A].
Click the image to download the entire page
in full resolution. Please note that the valves are drawn sideways, with
the cathode on the left and the anode on the right.
|
CEX-46203 Receiver CEX-19040 Battery pack CEX-10172 Base for receiver and battery pack CZK-49216A Headphones assembly - 2 x Carron US-42 flat speaker CVH-10204 Skull cap for headphones (fits under M1 helmet) CVH-10203 Canvas carrying case CEX-49238 Helmet antenna lead-in
|
-
CEX = Emerson Radio and Phonograph Corporation.
|
-
Obtained from Tony (I0JX) [4].
|
|
|
|
Any links shown in red are currently unavailable.
If you like the information on this website, why not make a donation?
© Crypto Museum. Created: Thursday 01 October 2009. Last changed: Saturday, 24 October 2020 - 08:36 CET.
|
 |
|
|
|