|
|
|
|
|
|
|
Crypto DDR Mixer OTT
One-time tape cipher machine
- wanted item
TgS-1, or DUDEK, was a
One-Time Tape (OTT)
cipher machine,
or mixer,
developed in the 1960s by Wielkopolskie Zakłady Teletechniczne
Teletra T-7 (Wielkopolskie Telecommunication Work, Plant number T-7)
in Poznan (Poland) for Bureau A of the Polish Interior Ministry (MSW) 1 [1].
DUDEK means Dalekopisowe Urządzenie Do Elektronicznego Kodowania (Teleprinter Device for Electronic Coding). It was approved by the MSW
for messages up to the level of TOP SECRET [2].
|
The Dudek was suitable for
teleprinter networks (telex)
and supported a data transmission speed (baud rate) of 50 to 75
bits per second (baud).
It was used in combination with
teleprinters
like the Siemens/Ceska T-100
and the RFT T-51.
For encryption and decryption it uses a built-in 5-level tape reader
that mixes each character of the 5-bit teleprinter signal with one character
from a random key tape, by means of an XOR circuit.
In cryptography, this principle is known as Module-2 or
Vernam Cipher and was invented
in 1918 in the US by Gilbert Sandford Vernam.
|
|
|
Dudek (TgS-1) was used in Poland by the Ministry of the Interior, the Ministry
of Foreign Affairs, the Ministry of Defence, the police
and the National Bank of Poland.
The machine was also used by the cryptographic services of other Warsaw
pact states, for example by the Ministry of State Security (Stasi)
of the former German Democratic Republic (DDR),
where it was known as T-352.
The TgS-1 was build with torid core logic (see below) and the mobile
version was designated TgS-1M (in the DDR known as T-353).
In the late 1970s, the TgS-1 was succeeded by the improved
TgS-3
that was build around TTL-based logic Integrated Circuits (ICs)
and had an improved data transfer rate.
The last Dudek was decommissioned in Poland in January 2011. 2
|
 |
-
MSW is the Ministerstwo Spraw Wewnętrznych
(Ministry of the Interior)
of Poland, and is an adminitrative structure responsible for internal
security, law enforcement, civil defence and registry functions [6].
-
The last machine that was decommissioned, was in use by the Polish
Police (Policja) [2].
|
The image below shows the T-353 (TgS-1M) seen from the front top.
The unit is about the width of a teleprinter and is suitable for placement
on a table top. The connections, fuses and the meter are all at the lower
section of the front panel (not visible here). The rest is pretty
straightforward.
The upper half of the front panel roughly consists of three sections:
a 5-level paper tape reader at the left, used for the key-stream tape,
a control panel at the centre and another 5-level paper tape reader
at the right, used for the input. DUDEK is suitable for both
online and offline use.
|
|
Unlike other digital systems in the early 1960s, which either used
valve-based or transtor-based logic, the DUDEK is built around magnetic
core logic building blocks of the so-called UNILOG-30 family. By using
a toriod cores with several windings, it was possible to create the basic
logic gates, such as AND, OR, XOR and Inverter circuits, but also
more complex circuits like a flip-flop.
|
As magnetic core logic is significantly different from valve-based
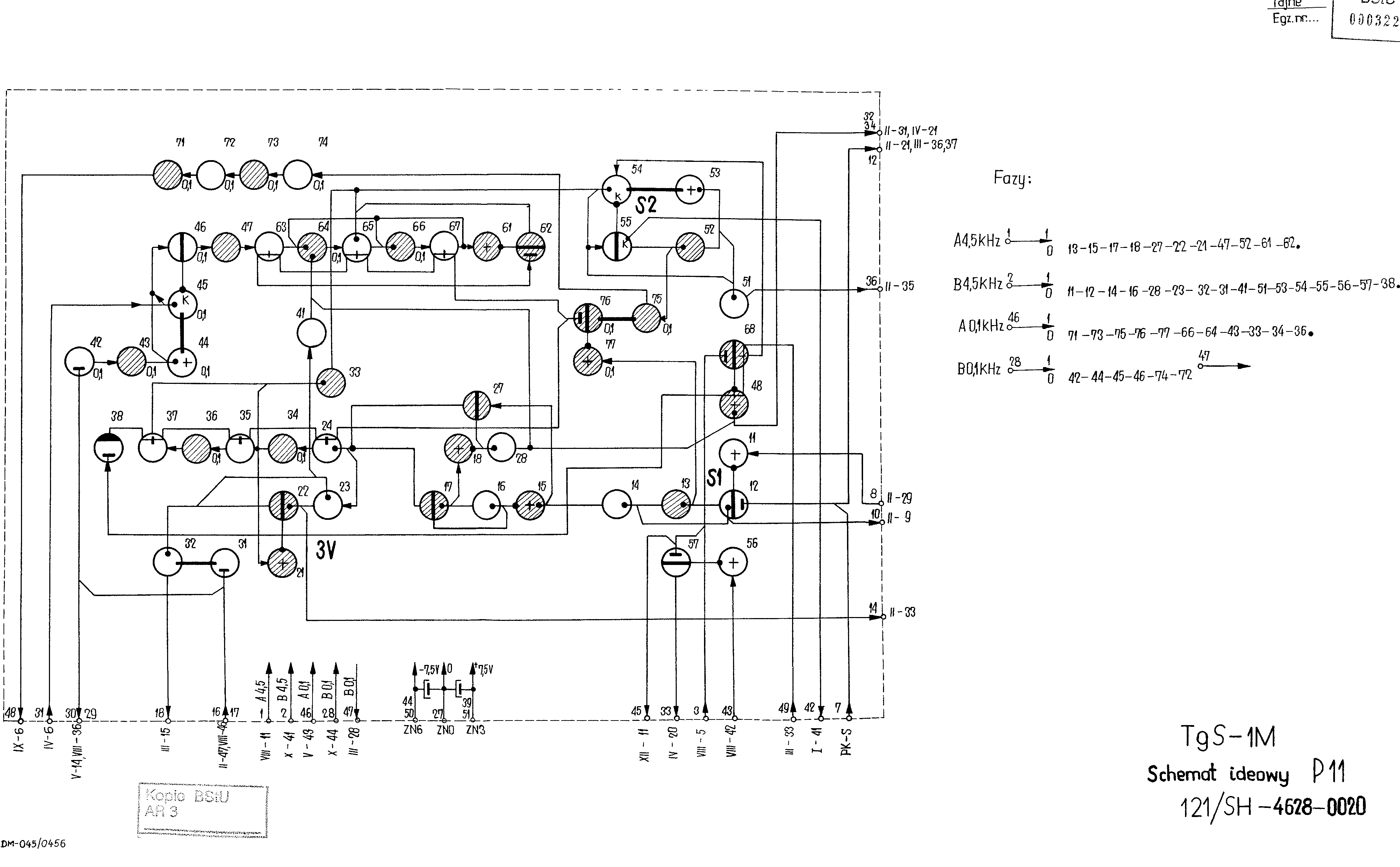
or transistor-based logic, the designers used their own electronic symbols,
which makes the
circuit diagram
a little bit more difficult to understand [6].
The image on the right shows an example of a logic circuit board inside
the DUDEK.
A good description of the internal hardware of the DUDEK
and the core logic circuit on which is was built, can be found on
Jörg Drobick's website [4].
➤ More on Jörg Drobick's website
|
|
|
TgS-1 Basic version, in the DDR known by Stasi-designator T-352 TgS-1M Mobile version, in the DDR known by Stasi-designator T-353 TgS-1MS Mobile version TgS-3 Newer version with TTL logic, developed in the late 1970s
|
DUDEK-L Latin version for national and international traffic DUDEK-K Cyrillic version DUDEK-M Cyrillic version for the East German PTT
|
-
Many thanks to Jorg Drobick [4] for supplying the manuals and the
photographs of the T-353/StG-1.
|
- Wikipedia (Polish), TgS-1 Dudek
Retrieved Januari 2015.
- Wikipedia (English), DUDEK
Retrieved Januari 2015.
- Jan Bury, For the Archives: Inside a Cold War Crypto Cell.
Polish Cipher Bureay in the 1980s
Cryptologia 32 (4), October 2008, pp. 351-367.
- Jorg Drobick, T-352 / T-353 DUDEK
Website (German). Retrieved Februari 2015.
- DUDEK, TgS-1, Circuit Diagram detail
BStU, MfS, Abt XI Nr. 000659.
Retrieved February 2015.
- Wikipedia, Ministry of Interior (Poland)
Retrieved August 2015.
|
|
|
|
Any links shown in red are currently unavailable.
If you like the information on this website, why not make a donation?
© Crypto Museum. Created: Monday 02 February 2015. Last changed: Friday, 23 February 2018 - 22:18 CET.
|
 |
|
|
|